1. 适用范围
本装置主要用于电涌保护器(SPD)等进行高中压系统故障引起的暂态过电压试验,也可用于其他科研试验。
使用环境为户内,海拔高度不超过1000米,环境温度为-10C~+40C,相对湿度不大于85%。
2. 遵循标准
1) GB/T 16927-1997 高电压试验技术
2) GB18802.1-2011低压配电系统的电涌保护器(SPD) 第一部分:性能要求和试验方法
3) IEC61643-1:2005 Surge protective devices connected to low-voltage power distribution systems part 1: Performance requirements and testing methods
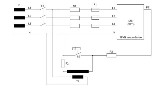
3. 高中压系统引起的TOV故障试验设备(IEC61643.1)
(1)三相隔离试验变压器
电源输出电压为UCS的变压器T1。
输入:交流,三相,相电压220V,线电压380V;
输出:交流最大连续工作电压(或者系统最大工作电压)UCS=240V
容量:300kVA
负载能力:短时过载能力3倍以上
(2)单相试验变压器
电源输出电压为UT的变压器T2
输入:交流,单相,UCS;
输出:交流UT=1200V
容量:150kVA
输出TOV持续时间:参照IEC61643.1规定值
持续时间:200ms±10ms
试验电流:限制到300A(有效值)

图1高中压TOV故障试验电路(参考IEC61643-2005)
(3)低压开关柜
低压开关柜设计功能齐全,具有电压电流开断和过压过流保护等功能。
(4)TOV控制器
10寸彩色触摸屏控制(高中压和低压为独立控制系统)
软件键盘按钮设置电压和时间参数
多种试验模式可供选取
试验参数可任意保存
紧急保护按钮;
电源过流自动切断;
过流继电器双重保护;
电源故障报警功能;
Ut切入时间角度为L1的90°。
(5)上位机实施采集控制系统(选配)
NI数据采集卡
实时显示试验电压、电流和相位差
电压电流最大值/峰值测量显示
测量数据可打印
计算机液晶显示电压和电流波形
(6)试品箱:木质,满足GB18802.1-2011中7.7.4条的要求,试品被放置在正方形木盒内,木盒侧面离SPD外表面500mm±50mm,盒内表面覆盖薄纸或纱布。盒的一面(不是底面)保持打开以便按照厂家要求连接电源电缆。
(7)试验接线辅助装置:SPD带电端子全部连接在一起,方便和接地端子间施加TOV。
4. 主要部件清单
电器开关柜 1套
阻抗切换柜 1套
Ucs三相变压器,300kVA 1套
测试柜(国标) 1套
TOV触摸屏控制系统 1套
TOV测量控制系统(电脑控制,与低压共用) 1套